CUPS stands for Control and User Plane Separation. This is an architectural concept which says that for a given network solution, the Control Plane (CP) and User Plane (UP) functions are different entities. To read more on what Management, Control and User Planes (a.k.a Data Plane, or DP) are see Management vs. Control vs. Data Planes in a Network Device.
But what does it mean in practice and where is the CUPS model implemented? What benefits does it bring compared to a combined model?
CUPS architecture in mobile networks
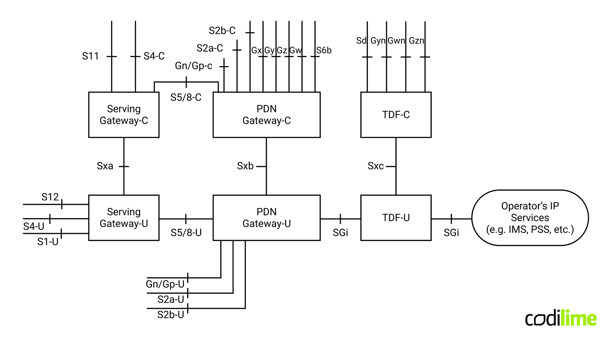
The first thing that comes to mind when discussing CUPS is a mobile network or, more precisely, a mobile packet core. Release 14 of CUPS has been introduced by the 3GPP standardization organization (in the document TS 23.214) and it explicitly says that EPC (Evolved Packet Core) nodes, namely SGW (Service Gateway), PGW (PDN Gateway) and TDF (Traffic Detection Function) which were till now deployed as one block each, are to be separated into distinct entities serving different functions. As a result, instead of three function blocks, six were defined: SGW-C and SGW-U, PGW-C and PGW-U, TDF-C and TDF-U. The following figure shows this concept:

This separation between the Control Plane and the User Plane is kept even if a single entity - SEAGW - serves the function of combined SGW and PGW. While for a 4G core the separation of Control and User Plane is a choice, it becomes mandatory for 5G (also, 5G presents new elements which replace those known for 4G).
New protocol for Control Plane and User Plane communication - PFCP
To make sure that Control and User Planes can communicate with each other there was a need to choose a protocol for use on newly-created interfaces, to connect the corresponding Control and User Plane elements.
Those new interfaces are: Sxa, Sxb (or Sxab in case of SAEGW) and Sxc (see Figure 1). The final choice for communication on those interfaces was a newly-created protocol called PFCP (Packet Forwarding Control Protocol). This is a standardized protocol defined in 3GPP document TS 29.244.
The need for a standardized way of communicating between Control and User Planes was clear as the new architecture offered the possibility of having different solutions for each entity: coming from different vendors or as an open-source solution. Until CUPS, each of the above elements: SGW, PGW and TDF was a single entity and the interaction between the Control and User Plane parts of it was defined by the vendor, and was usually proprietary.
Gains that CUPS brings
But why was the original packet core architecture changed in the first place? One of the reasons has already been mentioned above: it allows for independent choice of network elements and avoids vendor lock-in. Standardized interfaces between Control and User Planes aim at ensuring that solutions from different vendors (or open-source options) will work together. Also, the evolution of each node can be done separately via the standardization process, but also from the deployment and maintenance perspective.
The second advantage is related to the already-mentioned deployment and maintenance. For a mobile network, especially for 5G, it is important that latency is minimal. This can be achieved by deploying the User Plane elements as close to RAN (Radio Access Network) as possible.
In addition to that, scaling of the elements for both planes can be different - one CP element can control multiple UP elements (which is also defined by the standard) - which means that if a demand for bandwidth increases, one can deploy more UP elements, leaving the CP part intact (if it is capable of handling the expected number of sessions).
The third thing worth mentioning is that introducing CUPS enables using Software Defined Networking (SDN) to manage the Data Plane, a technology known for years and already widely adopted.
CUPS in fixed networks
As stated at the beginning of this article, CUPS architecture usually relates to mobile networks. However, the same principles have been applied to fixed networks as well. Broadband Forum works on CUPS for fixed networks.
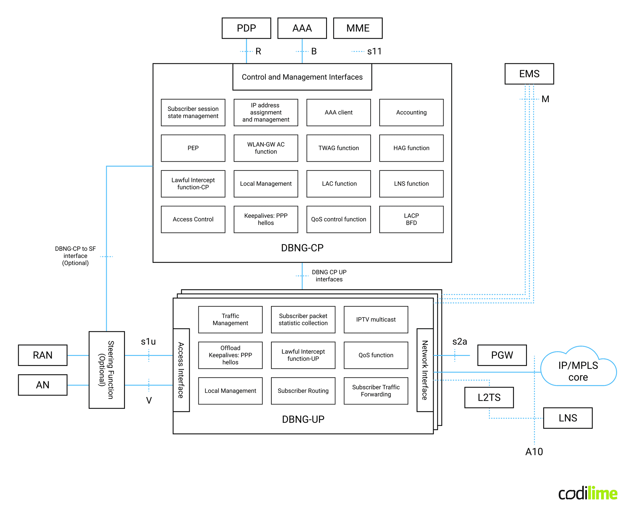
In document TR-459, a CUPS model has been described for a disaggregated BNG concept. Because the BNG element differs in its place in the network (fixed instead of mobile) and works with a different protocol stack, the architecture (shown in Figure 2) is not the same as that for the EPC.

Here as well, the separation between the Control and User exists, and the PFCP protocol is used.
The advantages of using CUPS for fixed networks are the same as for mobile: independent scaling and operation of CP and UP elements, avoiding vendor lock-in, and SDN-like management. In such an approach the User Plane elements are as close to the user as possible, and the Control Plane can be a centralized entity, for example, deployed in the cloud.
Summary
CUPS architecture has been known for a while, and is well suited for both mobile and fixed networks. It provides a number of benefits, as described in the article. The implementation of CUPS architecture is a must for 5G networks, but is also possible for the realization of the network functions in fixed networks.




